Facebook
  • GX10T SPHERICAL PLAIN THRUST BEARING
  • GX10T SPHERICAL PLAIN THRUST BEARING

GX10T SPHERICAL PLAIN THRUST BEARING

No.00258
DALIAN FINE ENGINEERING GX10T SPHERICAL PLAIN THRUST BEARING
  • GX10T SPHERICAL PLAIN THRUST BEARING

Description

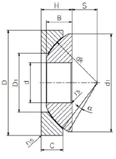
Product parameters

  • Bearing type GX10T
  • Boundary dimension mm
    d 10
    D 30
    B 7.5
    C 7
    H 9.5
    dk 32
    S 7
    d1 max 27.5
    d2 -
    D1 min 15.5
    rs,r1s min 0.6
    Alpha 5
  • Load ratings kN
    dynamic load 99
    Dead load 165
  • Weight: kg 0.036
  • Interchange
    INA GE10AW
    SKF GX10F