Sign In
Or
Sign Up
ABOUT FINE
PRODUCTS
PRODUCTS
SLEWING BEARINGS
WIRE RACE BEARINGS
WIRE RACE BEARINGS
WIRE RACE BALL BEARINGS
WIRE RACE ROLLER BEARINGS
MEDIUM AND LARGE BEARINGS
MEDIUM AND LARGE BEARINGS
FULL COMPLEMENT CYLINDRICAL ROLLER BEARINGS
APPLICATIONS
APPLICATIONS
SWING LOADERS
BOTTLING MACHINES
BOOM PUMPS
AGRICULTURAL MACHINE
MILITARY EQUIPMENTS
Language
REQUEST A QUOTE
Language
English
Back
ABOUT FINE
PRODUCTS
APPLICATIONS
English
REQUEST A QUOTE
Login
Back
SLEWING BEARINGS
WIRE RACE BEARINGS
WIRE RACE BALL BEARINGS
WIRE RACE ROLLER BEARINGS
MEDIUM AND LARGE BEARINGS
FULL COMPLEMENT CYLINDRICAL ROLLER BEARINGS
SWING LOADERS
BOTTLING MACHINES
BOOM PUMPS
AGRICULTURAL MACHINE
MILITARY EQUIPMENTS
English
REQUEST A QUOTE
Login
ABOUT FINE
PRODUCTS
SLEWING BEARINGS
WIRE RACE BEARINGS
WIRE RACE BALL BEARINGS
WIRE RACE ROLLER BEARINGS
MEDIUM AND LARGE BEARINGS
FULL COMPLEMENT CYLINDRICAL ROLLER BEARINGS
APPLICATIONS
SWING LOADERS
BOTTLING MACHINES
BOOM PUMPS
AGRICULTURAL MACHINE
MILITARY EQUIPMENTS
REQUEST A QUOTE
Home
>
Products
>
All Collections
>
BEARINGS
>
spherical plain bearings
>
GX17T SPHERICAL PLAIN THRUST BEARING
GX17T SPHERICAL PLAIN THRUST BEARING
No.00261
GX17T SPHERICAL PLAIN THRUST BEARING
GET A QUOTE
facebook
line
twitter
whatsapp
pinterest
tumblr
linkedin
Description
Product parameters
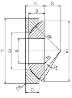
Bearing type
GX17T
Boundary dimension mm
d
17
D
47
B
11.8
C
11.2
H
16
dk
52
S
11
d1 max
43.5
d2
-
D1 min
27
rs,r1s min
0.6
Alpha
4
Load ratings kN
dynamic load
23
Dead load
380
Weight: kg
0.137
Interchange
INA
GE17AW
SKF
GX17F