Facebook
  • GX45S SPHERICAL PLAIN THRUST BEARING
  • GX45S SPHERICAL PLAIN THRUST BEARING

GX45S SPHERICAL PLAIN THRUST BEARING

No.00246
GX45S SPHERICAL PLAIN THRUST BEARING
  • GX45S SPHERICAL PLAIN THRUST BEARING

Description

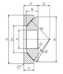
Product parameters

  • Bearing type GX45S
  • Boundary dimension mm
    d 45
    D 120
    B 31
    C 25.5
    H 36.5
    dk 128
    S 27.5
    d1 max 110
    D1 min 67
    A 11
    rs,r1s min 1
    Alpha 6
  • Load ratings kN
    dynamic load 486
    Dead load 2470
  • Weight ≈ kg 2.24
  • Interchange
    INA GE45AX
    SKF GX45S