Sign In
Or
Sign Up
ABOUT FINE
PRODUCTS
PRODUCTS
SLEWING BEARINGS
WIRE RACE BEARINGS
WIRE RACE BEARINGS
WIRE RACE BALL BEARINGS
WIRE RACE ROLLER BEARINGS
MEDIUM AND LARGE BEARINGS
MEDIUM AND LARGE BEARINGS
FULL COMPLEMENT CYLINDRICAL ROLLER BEARINGS
APPLICATIONS
APPLICATIONS
SWING LOADERS
BOTTLING MACHINES
BOOM PUMPS
AGRICULTURAL MACHINE
MILITARY EQUIPMENTS
Language
REQUEST A QUOTE
Language
English
Back
ABOUT FINE
PRODUCTS
APPLICATIONS
English
REQUEST A QUOTE
Login
Back
SLEWING BEARINGS
WIRE RACE BEARINGS
WIRE RACE BALL BEARINGS
WIRE RACE ROLLER BEARINGS
MEDIUM AND LARGE BEARINGS
FULL COMPLEMENT CYLINDRICAL ROLLER BEARINGS
SWING LOADERS
BOTTLING MACHINES
BOOM PUMPS
AGRICULTURAL MACHINE
MILITARY EQUIPMENTS
English
REQUEST A QUOTE
Login
ABOUT FINE
PRODUCTS
SLEWING BEARINGS
WIRE RACE BEARINGS
WIRE RACE BALL BEARINGS
WIRE RACE ROLLER BEARINGS
MEDIUM AND LARGE BEARINGS
FULL COMPLEMENT CYLINDRICAL ROLLER BEARINGS
APPLICATIONS
SWING LOADERS
BOTTLING MACHINES
BOOM PUMPS
AGRICULTURAL MACHINE
MILITARY EQUIPMENTS
REQUEST A QUOTE
Home
>
Products
>
All Collections
>
BEARINGS
>
spherical plain bearings
>
GE50ES RADIAL SPHERICAL PLAIN BEARING
GE50ES RADIAL SPHERICAL PLAIN BEARING
No.00155
DALIAN FINE ENGINEERING GE50ES RADIAL SPHERICAL PLAIN BEARING
GET A QUOTE
facebook
line
twitter
whatsapp
pinterest
tumblr
linkedin
Description
Product parameters
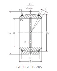
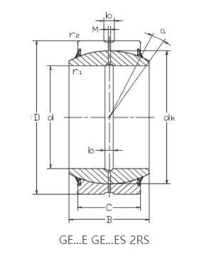
Bearing type
GE50ES
Bearing type
GE50ES-2RS
Boundary dimensions (mm)
d
50
D
75
B
35
C
28
dk
66
rs min
0.6
r1s min
1
Alpha degree
6
Rated load kn
dynamic load
156
Dead load
780
Weight ≈ kg
0.562
Interchange
INA
GE50DO
INA
GE50DO-2RS
SKF
GE50ES
SKF
GE50ES-2RS