Facebook
  • GX10S SPHERICAL PLAIN THRUST BEARING
  • GX10S SPHERICAL PLAIN THRUST BEARING

GX10S SPHERICAL PLAIN THRUST BEARING

No.00237
DALIAN FINE ENGINEERING GX10S SPHERICAL PLAIN THRUST BEARING
  • GX10S SPHERICAL PLAIN THRUST BEARING

Description

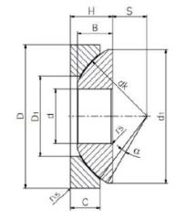
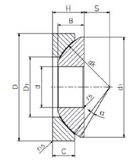
Product parameters

  • Bearing type GX10S
  • Boundary dimension mm
    d 10
    D 30
    B 7.5
    C 7
    H 9.5
    dk 32
    S 7
    d1 max 27.5
    D1 min 15.5
    A 3
    rs,r1s min 0.6
    Alpha 5
  • Load ratings kN
    dynamic load 27
    Dead load 136
  • Weight ≈ kg 0.036
  • Interchange
    INA GE10AX
    SKF GX10S