Facebook

SINGLE ROW FOUR POINT CONTACT BALL SLEWING RINGS

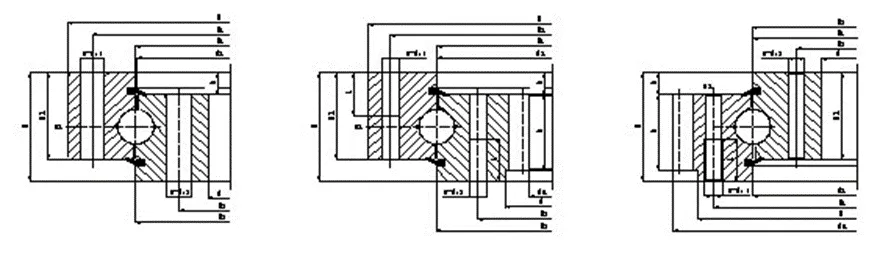
FINE single row four point contact ball slewing rings is composed of two seat rings, which design in compact structure and light weight, steel ball contact with the circular raceway at four points; it can bear the axial force, radial force and the tilting moment at the same time. FINE Single-row four point contact ball ring has the features of compact in design, and light in weight. The balls roll on the circular race at four points, so it can undertake the axial force, radial force and tipping moment at the same time.
This series of four point contact ball bearings are suitable in many engineering machinery, such as rotary conveyor welding operation machine, small cranes, small and medium-sized excavators,slewing conveyer, welding manipulator, light and medium duty crane, and other construction machinery

Three types of this kind of single row four point contact ball slewing bearing:
A. Without gear bearing (non tooth)
B. External gear bearing (external tooth)
C. Internal gear bearing (internal tooth)