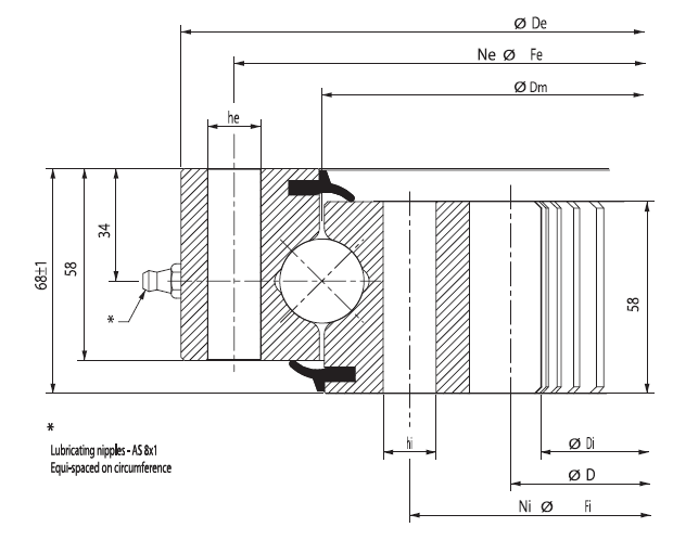
| designation | main dimensions | fixing holes | gear teeth | mass | |||||||||
| De | Dm | Di | Fe | he | Ne | Fi | hi | Ni | D | m | Z | Kg | |
| RKS.062.25.1204 | 1289 | 1204 | 1072 | 1257 | 16 | 45 | 1151 | 16 | 45 | 1080 | 10 | 108 | 145 |
| RKS.062.25.1314 | 1399 | 1314 | 1182 | 1367 | 16 | 50 | 1261 | 16 | 50 | 1190 | 10 | 119 | 159 |
| RKS.062.25.1424 | 1509 | 1424 | 1292 | 1477 | 16 | 54 | 1371 | 16 | 54 | 1300 | 10 | 130 | 172 |
| RKS.062.25.1534 | 1619 | 1534 | 1402 | 1587 | 16 | 60 | 1481 | 16 | 60 | 1410 | 10 | 141 | 186 |
| RKS.062.25.1644 | 1752 | 1644 | 1495 | 1708 | 22 | 54 | 1580 | 22 | 54 | 1500 | 10 | 150 | 236 |
| RKS.062.25.1754 | 1862 | 1754 | 1605 | 1818 | 22 | 60 | 1690 | 22 | 60 | 1610 | 10 | 161 | 252 |
| RKS.062.30.1904 | 2012 | 1904 | 1729 | 1968 | 22 | 64 | 1840 | 22 | 64 | 1736 | 14 | 124 | 299 |