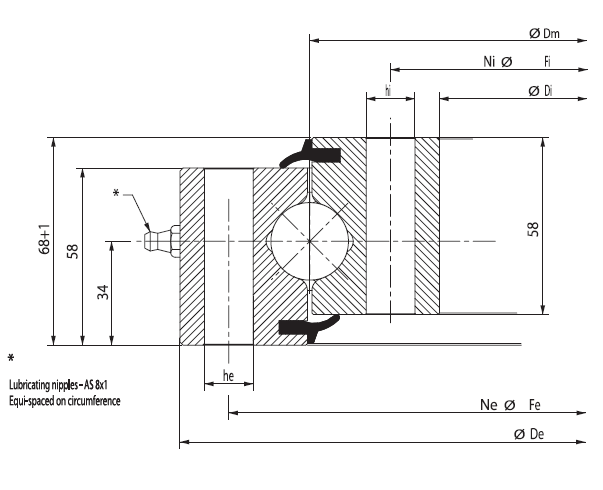
| designation | main dimensions | fixing holes | mass | |||||||
| De | Dm | Di | Fe | he | Ne | Fi | hi | Ni | Kg | |
| RKS.060.25.1204 | 1289 | 1204 | 1119 | 1257 | 16 | 45 | 1151 | 16 | 45 | 121 |
| RKS.060.25.1314 | 1399 | 1314 | 1229 | 1367 | 16 | 50 | 1261 | 16 | 50 | 132 |
| RKS.060.25.1424 | 1509 | 1424 | 1339 | 1477 | 16 | 54 | 1371 | 16 | 54 | 143 |
| RKS.060.25.1534 | 1619 | 1534 | 1449 | 1587 | 16 | 60 | 1481 | 16 | 60 | 154 |
| RKS.060.25.1644 | 1752 | 1644 | 1536 | 1708 | 22 | 54 | 1580 | 22 | 54 | 209 |
| RKS.060.25.1754 | 1862 | 1754 | 1646 | 1818 | 22 | 60 | 1690 | 22 | 60 | 222 |
| RKS.062.30.1904 | 2012 | 1094 | 1796 | 1968 | 22 | 64 | 1840 | 22 | 64 | 241 |