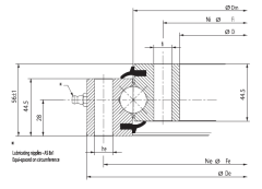
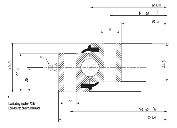
| FOUR POINT CONTACT SLEWING BEARINGS WITHOUT GEAR TEETH | ||||||||||
| designation | main dimensions | fixing holes | mass | |||||||
| De | Dm | Di | Fe | he | Ne | Fi | hi | Ni | Kg | |
| RKS.060.20.0414 | 486 | 414 | 342 | 460 | 14 | 24 | 368 | 14 | 24 | 29 |
| RKS.060.20.0544 | 616 | 544 | 472 | 590 | 14 | 32 | 498 | 14 | 32 | 37 |
| RKS.060.20.0644 | 716 | 644 | 572 | 690 | 14 | 36 | 598 | 14 | 36 | 44 |
| RKS.060.20.0744 | 816 | 744 | 672 | 790 | 14 | 40 | 698 | 14 | 40 | 52 |
| RKS.060.20.0844 | 916 | 844 | 772 | 890 | 14 | 40 | 798 | 14 | 40 | 60 |
| RKS.060.20.0944 | 1016 | 944 | 872 | 990 | 14 | 44 | 898 | 14 | 44 | 67 |
| RKS.060.20.1094 | 1166 | 1094 | 1022 | 1140 | 14 | 48 | 1048 | 14 | 48 | 77 |