Facebook
  • RKS.060.25.1644
  • RKS.060.25.1644

RKS.060.25.1644

No.00425
DALIAN FINE ENGINEERING SLEWING BEARING RKS.060.25.1644
  • RKS.060.25.1644

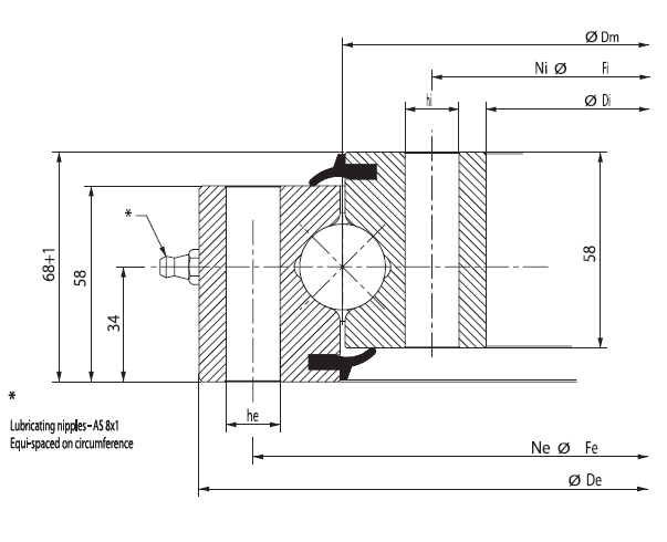
Description

designation main dimensions fixing holes           mass
De Dm Di Fe he Ne Fi hi Ni Kg
RKS.060.25.1204 1289 1204 1119 1257 16 45 1151 16 45 121
RKS.060.25.1314 1399 1314 1229 1367 16 50 1261 16 50 132
RKS.060.25.1424 1509 1424 1339 1477 16 54 1371 16 54 143
RKS.060.25.1534 1619 1534 1449 1587 16 60 1481 16 60 154
RKS.060.25.1644 1752 1644 1536 1708 22 54 1580 22 54 209
RKS.060.25.1754 1862 1754 1646 1818 22 60 1690 22 60 222
RKS.062.30.1904 2012 1094 1796 1968 22 64 1840 22 64 241