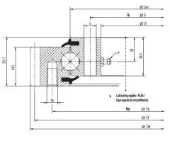
| designation | main dimensions | fixing holes | gear teeth | mass | |||||||||
| De | Dm | Di | Fe | he | Ne | Fi | hi | Ni | D | m | Z | Kg | |
| RKS.061.20.0414 | 503.3 | 414 | 342 | 455 | M12 | 20 | 368 | 14 | 24 | 495 | 5 | 99 | 31 |
| RKS.061.20.0544 | 640.3 | 544 | 472 | 585 | M12 | 28 | 498 | 14 | 32 | 630 | 6 | 105 | 43 |
| RKS.061.20.0644 | 742.3 | 644 | 572 | 685 | M12 | 32 | 598 | 14 | 36 | 722 | 6 | 122 | 52 |
| RKS.061.20.0744 | 838.1 | 744 | 672 | 785 | M12 | 36 | 698 | 14 | 40 | 828 | 6 | 138 | 59 |
| RKS.061.20.0844 | 950.1 | 844 | 772 | 885 | M12 | 36 | 798 | 14 | 40 | 936 | 8 | 117 | 71 |
| RKS.061.20.0944 | 1046.1 | 944 | 872 | 985 | M12 | 40 | 898 | 14 | 44 | 1032 | 8 | 129 | 77 |
| RKS.061.20.1094 | 1198.1 | 1094 | 1022 | 1135 | M12 | 44 | 1048 | 14 | 48 | 1184 | 8 | 148 | 91 |