Facebook
  • RKS.061.20.0544
  • RKS.061.20.0544

RKS.061.20.0544

No.00387
DALIAN FINE ENGINEERING SLEWING BEARING RKS.061.20.0544
  • RKS.061.20.0544

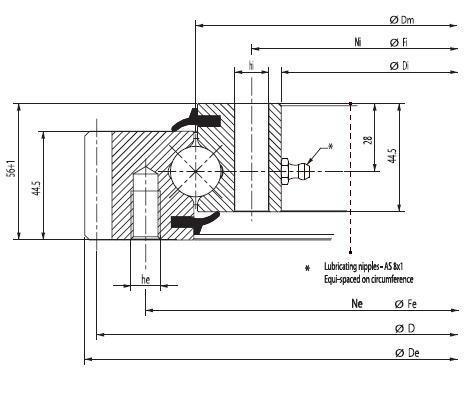
Description

designation main dimensions fixing holes gear teeth mass
De Dm Di Fe he Ne Fi hi Ni D m Z Kg
RKS.061.20.0414 503.3 414 342 455 M12 20 368 14 24 495 5 99 31
RKS.061.20.0544 640.3 544 472 585 M12 28 498 14 32 630 6 105 43
RKS.061.20.0644 742.3 644 572 685 M12 32 598 14 36 722 6 122 52
RKS.061.20.0744 838.1 744 672 785 M12 36 698 14 40 828 6 138 59
RKS.061.20.0844 950.1 844 772 885 M12 36 798 14 40 936 8 117 71
RKS.061.20.0944 1046.1 944 872 985 M12 40 898 14 44 1032 8 129 77
RKS.061.20.1094 1198.1 1094 1022 1135 M12 44 1048 14 48 1184 8 148 91