Facebook
  • RKS.062.25.1534
  • RKS.062.25.1534

RKS.062.25.1534

No.00410
DALIAN FINE ENGINEERING SLEWING BEARING RKS.062.25.1534
  • RKS.062.25.1534

Description

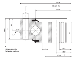
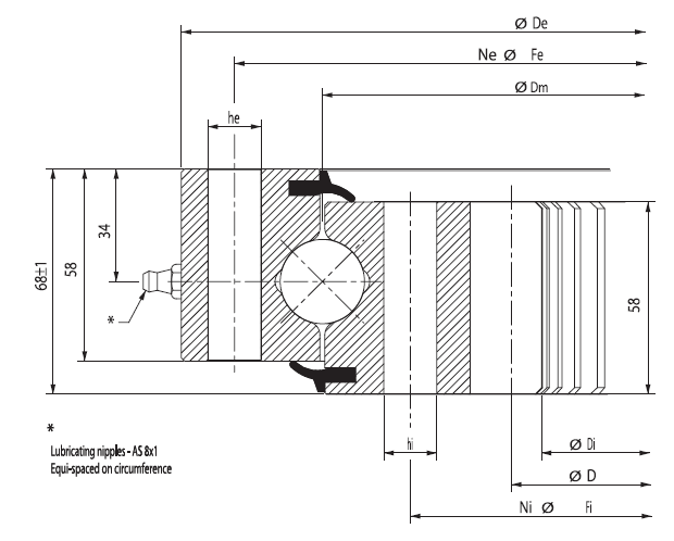
designation main dimensions fixing holes gear teeth mass
De Dm Di Fe he Ne Fi hi Ni D m Z Kg
RKS.062.25.1204 1289 1204 1072 1257 16 45 1151 16 45 1080 10 108 145
RKS.062.25.1314 1399 1314 1182 1367 16 50 1261 16 50 1190 10 119 159
RKS.062.25.1424 1509 1424 1292 1477 16 54 1371 16 54 1300 10 130 172
RKS.062.25.1534 1619 1534 1402 1587 16 60 1481 16 60 1410 10 141 186
RKS.062.25.1644 1752 1644 1495 1708 22 54 1580 22 54 1500 10 150 236
RKS.062.25.1754 1862 1754 1605 1818 22 60 1690 22 60 1610 10 161 252
RKS.062.30.1904 2012 1904 1729 1968 22 64 1840 22 64 1736 14 124 299