Facebook
  • RKS.060.20.0744
  • RKS.060.20.0744

RKS.060.20.0744

No.00417
DALIAN FINE ENGINEERING SLEWING BEARING RKS.060.20.0744
  • RKS.060.20.0744

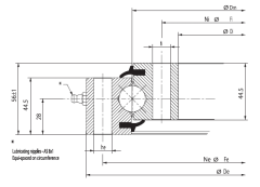
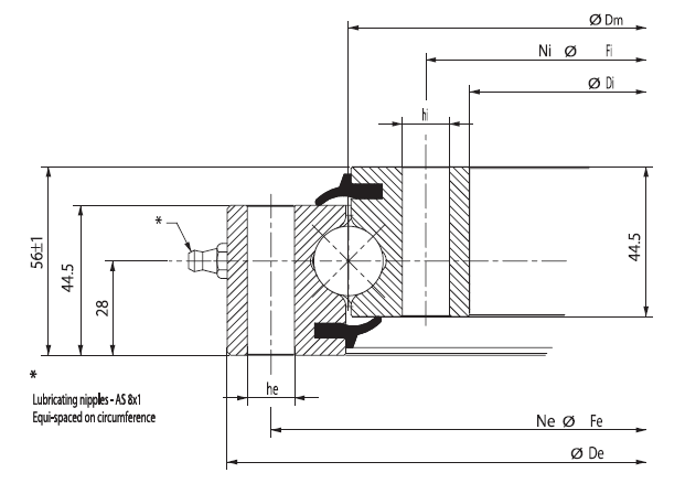
Description

FOUR POINT CONTACT SLEWING BEARINGS WITHOUT GEAR TEETH
designation main dimensions fixing holes           mass
De Dm Di Fe he Ne Fi hi Ni Kg
RKS.060.20.0414 486 414 342 460 14 24 368 14 24 29
RKS.060.20.0544 616 544 472 590 14 32 498 14 32 37
RKS.060.20.0644 716 644 572 690 14 36 598 14 36 44
RKS.060.20.0744 816 744 672 790 14 40 698 14 40 52
RKS.060.20.0844 916 844 772 890 14 40 798 14 40 60
RKS.060.20.0944 1016 944 872 990 14 44 898 14 44 67
RKS.060.20.1094 1166 1094 1022 1140 14 48 1048 14 48 77