Facebook
  • RKS.061.25.1534
  • RKS.061.25.1534

RKS.061.25.1534

No.00396
DALIAN FINE ENGINEERING SLEWING BEARING RKS.061.25.1534
  • RKS.061.25.1534

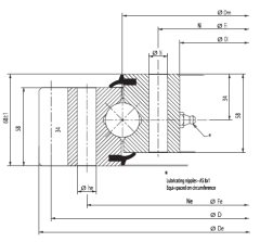
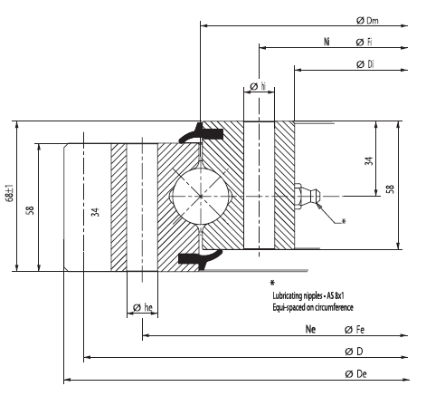
Description

designation main dimensions fixing holes gear teeth mass
De Dm Di Fe he Ne Fi hi Ni D m Z Kg
RKS.061.25.1204 1338 1204 1119 1257 16 45 1151 16 45 1310 10 131 135
RKS.061.25.1314 1448 1314 1229 1367 16 50 1261 16 50 1420 10 142 148
RKS.061.25.1424 1558 1424 1339 1477 16 54 1371 16 54 1530 10 153 159
RKS.061.25.1534 1668 1534 1449 1587 16 60 1481 16 60 1640 10 164 171
RKS.061.25.1644 1791 1644 1536 1708 22 54 1580 22 54 1760 10 176 211
RKS.061.25.1754 1901 1754 1646 1818 22 60 1690 22 60 1870 10 187 225
RKS.061.30.1904 2073.4 1904 1796 1968 22 64 1840 22 64 2030 14 145 270