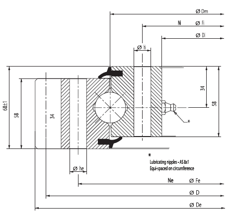
| designation | main dimensions | fixing holes | gear teeth | mass | |||||||||
| De | Dm | Di | Fe | he | Ne | Fi | hi | Ni | D | m | Z | Kg | |
| RKS.061.25.1204 | 1338 | 1204 | 1119 | 1257 | 16 | 45 | 1151 | 16 | 45 | 1310 | 10 | 131 | 135 |
| RKS.061.25.1314 | 1448 | 1314 | 1229 | 1367 | 16 | 50 | 1261 | 16 | 50 | 1420 | 10 | 142 | 148 |
| RKS.061.25.1424 | 1558 | 1424 | 1339 | 1477 | 16 | 54 | 1371 | 16 | 54 | 1530 | 10 | 153 | 159 |
| RKS.061.25.1534 | 1668 | 1534 | 1449 | 1587 | 16 | 60 | 1481 | 16 | 60 | 1640 | 10 | 164 | 171 |
| RKS.061.25.1644 | 1791 | 1644 | 1536 | 1708 | 22 | 54 | 1580 | 22 | 54 | 1760 | 10 | 176 | 211 |
| RKS.061.25.1754 | 1901 | 1754 | 1646 | 1818 | 22 | 60 | 1690 | 22 | 60 | 1870 | 10 | 187 | 225 |
| RKS.061.30.1904 | 2073.4 | 1904 | 1796 | 1968 | 22 | 64 | 1840 | 22 | 64 | 2030 | 14 | 145 | 270 |