Facebook
  • RKS.062.20.0544
  • RKS.062.20.0544

RKS.062.20.0544

No.00401
DALIAN FINE ENGINEERING SLEWING BEARING RKS.062.20.0544
  • RKS.062.20.0544

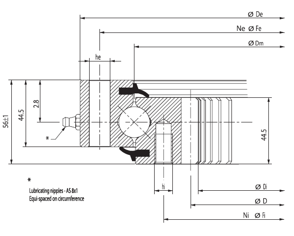
Description

FOUR POINT CONTACT SLEWING BEARINGS WITH INTERNAL GEAR TEETH
designation main dimensions fixing holes gear teeth mass
De Dm Di Fe he Ne Fi hi Ni D m Z Kg
RKS.062.20.0414 486 414 325 460 14 24 375 M12 24 335 5 67 31
RKS.062.20.0544 616 544 444 590 14 32 505 M12 32 456 6 76 42
RKS.062.20.0644 716 644 546 690 14 36 605 M12 36 558 6 93 50
RKS.062.20.0744 816 744 648 790 14 40 705 M12 40 660 6 110 58
RKS.062.20.0844 916 844 736 890 14 40 805 M12 40 752 8 94 69
RKS.062.20.0944 1016 944 840 990 14 44 905 M12 44 856 8 107 76
RKS.062.20.1094 1166 1094 984 1140 14 48 1055 M12 48 1000 8 125 91