Sign In
Or
Sign Up
ABOUT FINE
PRODUCTS
PRODUCTS
SLEWING BEARINGS
WIRE RACE BEARINGS
WIRE RACE BEARINGS
WIRE RACE BALL BEARINGS
WIRE RACE ROLLER BEARINGS
MEDIUM AND LARGE BEARINGS
MEDIUM AND LARGE BEARINGS
FULL COMPLEMENT CYLINDRICAL ROLLER BEARINGS
APPLICATIONS
APPLICATIONS
SWING LOADERS
BOTTLING MACHINES
BOOM PUMPS
AGRICULTURAL MACHINE
MILITARY EQUIPMENTS
Language
REQUEST A QUOTE
Language
English
Back
ABOUT FINE
PRODUCTS
APPLICATIONS
English
REQUEST A QUOTE
Login
Back
SLEWING BEARINGS
WIRE RACE BEARINGS
WIRE RACE BALL BEARINGS
WIRE RACE ROLLER BEARINGS
MEDIUM AND LARGE BEARINGS
FULL COMPLEMENT CYLINDRICAL ROLLER BEARINGS
SWING LOADERS
BOTTLING MACHINES
BOOM PUMPS
AGRICULTURAL MACHINE
MILITARY EQUIPMENTS
English
REQUEST A QUOTE
Login
ABOUT FINE
PRODUCTS
SLEWING BEARINGS
WIRE RACE BEARINGS
WIRE RACE BALL BEARINGS
WIRE RACE ROLLER BEARINGS
MEDIUM AND LARGE BEARINGS
FULL COMPLEMENT CYLINDRICAL ROLLER BEARINGS
APPLICATIONS
SWING LOADERS
BOTTLING MACHINES
BOOM PUMPS
AGRICULTURAL MACHINE
MILITARY EQUIPMENTS
REQUEST A QUOTE
Home
>
Products
>
All Collections
>
BEARINGS
>
FULL COMPLEMENT CYLINDRICAL ROLLER BEARINGS
>
SL045032-PP FULL COMPLEMENT CYLINDRICAL ROLLER BEARINGS
SL045032-PP FULL COMPLEMENT CYLINDRICAL ROLLER BEARINGS
No.00375
DALIAN FINE ENGINEERING SL045032-PP FULL COMPLEMENT CYLINDRICAL ROLLER BEARINGS
GET A QUOTE
facebook
line
twitter
whatsapp
pinterest
tumblr
linkedin
Description
Product parameters
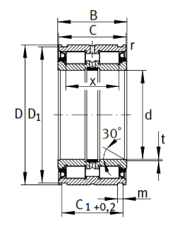
Model
SL045032-PP
Quality (kg)
16.6
d
160
D
240
B
109
C
108
C1+0.2
95.2
D1
236
m
5.2
r min
0.6
t
2
x
89
Ca1 -0.2
89
Ca2 -0.2
85
d1
189
d3
207
d2
260
Basic load ratings
KN
Dynamic load Cr
740000
Static load cor
1360000
Fatigue limit load cur / n
165000
Limit speed ng / min – 1
650
Clasp WRE
WRE240
Stop ring according to din471
240X5