Sign In
Or
Sign Up
ABOUT FINE
PRODUCTS
PRODUCTS
SLEWING BEARINGS
WIRE RACE BEARINGS
WIRE RACE BEARINGS
WIRE RACE BALL BEARINGS
WIRE RACE ROLLER BEARINGS
MEDIUM AND LARGE BEARINGS
MEDIUM AND LARGE BEARINGS
FULL COMPLEMENT CYLINDRICAL ROLLER BEARINGS
APPLICATIONS
APPLICATIONS
SWING LOADERS
BOTTLING MACHINES
BOOM PUMPS
AGRICULTURAL MACHINE
MILITARY EQUIPMENTS
Language
REQUEST A QUOTE
Language
English
Back
ABOUT FINE
PRODUCTS
APPLICATIONS
English
REQUEST A QUOTE
Login
Back
SLEWING BEARINGS
WIRE RACE BEARINGS
WIRE RACE BALL BEARINGS
WIRE RACE ROLLER BEARINGS
MEDIUM AND LARGE BEARINGS
FULL COMPLEMENT CYLINDRICAL ROLLER BEARINGS
SWING LOADERS
BOTTLING MACHINES
BOOM PUMPS
AGRICULTURAL MACHINE
MILITARY EQUIPMENTS
English
REQUEST A QUOTE
Login
ABOUT FINE
PRODUCTS
SLEWING BEARINGS
WIRE RACE BEARINGS
WIRE RACE BALL BEARINGS
WIRE RACE ROLLER BEARINGS
MEDIUM AND LARGE BEARINGS
FULL COMPLEMENT CYLINDRICAL ROLLER BEARINGS
APPLICATIONS
SWING LOADERS
BOTTLING MACHINES
BOOM PUMPS
AGRICULTURAL MACHINE
MILITARY EQUIPMENTS
REQUEST A QUOTE
Home
>
Products
>
All Collections
>
BEARINGS
>
FULL COMPLEMENT CYLINDRICAL ROLLER BEARINGS
>
SL045034-PP FULL COMPLEMENT CYLINDRICAL ROLLER BEARINGS
SL045034-PP FULL COMPLEMENT CYLINDRICAL ROLLER BEARINGS
No.00376
DALIAN FINE ENGINEERING SL045034-PP FULL COMPLEMENT CYLINDRICAL ROLLER BEARINGS
GET A QUOTE
facebook
line
twitter
whatsapp
pinterest
tumblr
linkedin
Description
Product parameters
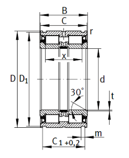
Model
SL045034-PP
Quality (kg)
22.6
d
170
D
260
B
122
C
121
C1+0.2
107.2
D1
254
m
5.2
r min
0.6
t
2
x
100
Ca1 -0.2
99
Ca2 -0.2
97
d1
200.7
d3
220
d2
282
Basic load ratings
KN
Dynamic load Cr
960000
Static load cor
1750000
Fatigue limit load cur / n
212000
Limit speed ng / min – 1
600
Clasp WRE
WRE260
Stop ring according to din471
260X5