Sign In
Or
Sign Up
ABOUT FINE
PRODUCTS
PRODUCTS
SLEWING BEARINGS
WIRE RACE BEARINGS
WIRE RACE BEARINGS
WIRE RACE BALL BEARINGS
WIRE RACE ROLLER BEARINGS
MEDIUM AND LARGE BEARINGS
MEDIUM AND LARGE BEARINGS
FULL COMPLEMENT CYLINDRICAL ROLLER BEARINGS
APPLICATIONS
APPLICATIONS
SWING LOADERS
BOTTLING MACHINES
BOOM PUMPS
AGRICULTURAL MACHINE
MILITARY EQUIPMENTS
Language
REQUEST A QUOTE
Language
English
Back
ABOUT FINE
PRODUCTS
APPLICATIONS
English
REQUEST A QUOTE
Login
Back
SLEWING BEARINGS
WIRE RACE BEARINGS
WIRE RACE BALL BEARINGS
WIRE RACE ROLLER BEARINGS
MEDIUM AND LARGE BEARINGS
FULL COMPLEMENT CYLINDRICAL ROLLER BEARINGS
SWING LOADERS
BOTTLING MACHINES
BOOM PUMPS
AGRICULTURAL MACHINE
MILITARY EQUIPMENTS
English
REQUEST A QUOTE
Login
ABOUT FINE
PRODUCTS
SLEWING BEARINGS
WIRE RACE BEARINGS
WIRE RACE BALL BEARINGS
WIRE RACE ROLLER BEARINGS
MEDIUM AND LARGE BEARINGS
FULL COMPLEMENT CYLINDRICAL ROLLER BEARINGS
APPLICATIONS
SWING LOADERS
BOTTLING MACHINES
BOOM PUMPS
AGRICULTURAL MACHINE
MILITARY EQUIPMENTS
REQUEST A QUOTE
Home
>
Products
>
All Collections
>
BEARINGS
>
FULL COMPLEMENT CYLINDRICAL ROLLER BEARINGS
>
SL045040-PP FULL COMPLEMENT CYLINDRICAL ROLLER BEARINGS
SL045040-PP FULL COMPLEMENT CYLINDRICAL ROLLER BEARINGS
No.00379
DALIAN FINE ENGINEERING SL045040-PP FULL COMPLEMENT CYLINDRICAL ROLLER BEARINGS
GET A QUOTE
facebook
line
twitter
whatsapp
pinterest
tumblr
linkedin
Description
Product parameters
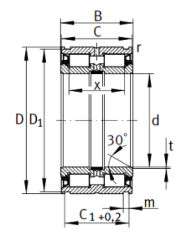
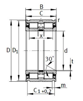
Model
SL045040-PP
Quality (kg)
40.8
d
200
D
310
B
150
C
149
C1+0.2
128.2
D1
304
m
6.3
r min
0.6
t
2
x
126
Ca1 -0.2
120
Ca2 -0.2
116
d1
243.05
d3
267
d2
336
Basic load ratings
KN
Dynamic load Cr
1350000
Static load cor
2600000
Fatigue limit load cur / n
300000
Limit speed ng / min – 1
500
Clasp WRE
WRE310
Stop ring according to din471
310X6